PV cell and energy storage evaluation
Methodologies for testing PV energy harvesting in IoT devices
Testing an energy harvesting system during product development is crucial because it validates whether the photovoltaic cell and power management circuitry can reliably sustain the device under real-world conditions. By measuring current, voltage, and storage efficiency across varying light levels, engineers can confirm that the system remains energy net-positive and identify performance bottlenecks early. This ensures correct component sizing, prevents unexpected power failures, and optimizes firmware for energy-aware operation. Without such testing, products risk being unreliable in the field, leading to costly redesigns. Rigorous evaluation builds confidence that the IoT device will operate autonomously and sustainably once deployed.

Products needed
How to connect
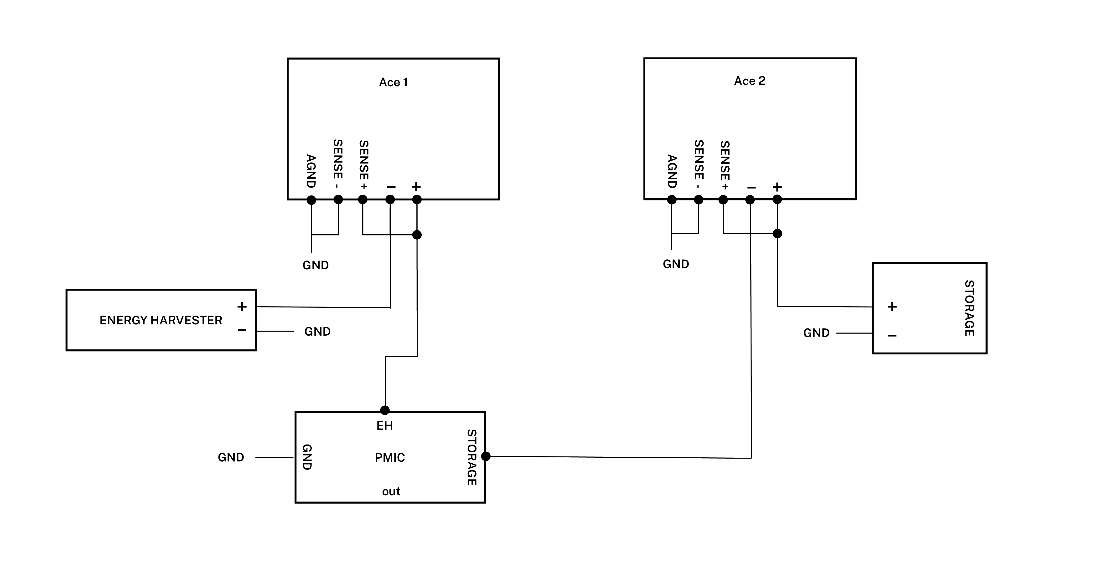
- Connect both Aces to your computer by USB.
- Connect Ace EnergyHarvester (Ace 1) banana connector – to PV cell output.
- Connect Ace EnergyHarvester banana connector + and SENSE+ to PMIC PV cell input.
- Connect Ace EnergyHarvester SENSE- and AGND to system GND.
- Connect Ace Storage (Ace 2) banana connector – to PMIC energy storage input/output.
- Connect Ace Storage banana connector + and SENSE+ to energy storage positive pole.
- Connect Ace Storage SENSE- and AGND to system GND.
- Connect energy storage negative pole to system GND.

Get started in the Otii application
In general settings for Ace EnergyHarvester and Ace Storage, respectively:
- Set voltage for the Ace EnergyHarvester to something that doesn’t go over the OCV for the PV cell.
- Set voltage to nominal battery voltage on Ace Storage.
In general settings for both Ace EnergyHarvester and Ace Storage:
- Change from Power box to In-line mode.
- Enable 4-wire button. 4W will appear next to the voltage control of the Aces.
- Enable main current, main voltage and main power under Channels.
- Set wanted sample rate. Typically, 1000 samples per seconds is enough in this use case.
- Turn on power.

Tips & tricks
If you connect in this way then a positive energy, for Ace Storage, means that it is being charged more than discharged.